Tobi’s eetclub - December 2025

Assignment

Design a kitchen in a modern French bistro style, combining elements such as aged wood and marble with a clean, contemporary design. The kitchen should be functional and modular, and designed specifically for use in a TV studio.

  • A kitchen featuring three workstations: a central cooking island, a dedicated pantry unit, and a fixed countertop with an integrated sink. Each element is supported by aged wooden workbenches, adding a strong rustic character.

    In contrast, a custom-made modern cabinet with a steel frame introduces a clean, contemporary edge, all precisely tailored to fit the space. At the back, a large marble wall ties the entire design together, creating a cohesive and refined backdrop.

    The overall atmosphere is warm and inviting, with subtle copper accents and a balanced combination of rustic wood and sleek marble, blending traditional charm with modern simplicity.

  • Multiple high-quality renders, refined throughout the process based on the client’s feedback, exploring different variations that communicate atmosphere through distinct visual interpretations of the design.

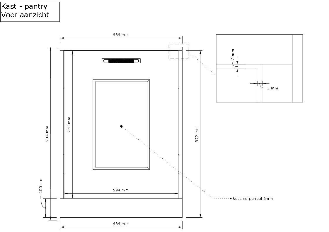
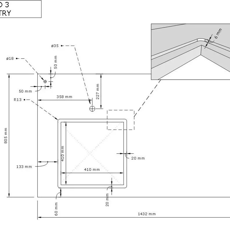
    In addition, detailed technical drawings are provided for all worktops and custom-made cabinetry, including cutting lists and production-ready files, ensuring everything is prepared for immediate manufacturing.

Technical drawings

Results